| Availability: | |
|---|---|
04226-26030
Henshine
26030
Figure 1 Cutaway of Injection Pump 294000-0710 including suction control valve 04226-26030
(Courtesy of Ningbo Henshine Precision Machinery Co., Ltd)
| 0 | [01] | 29400-01580 | PUMP ASSY, SUPPLY | 22100-0R070 |
| 1 | [01] | 29410-01730 | HOUSING SUB-ASSY, | HU |
| 2 | [01] | 29417-80040 | WASHER, CAMSHAFT | |
| 3 | [01] | 29417-80080 | WASHER, CAMSHAFT | |
| 4 | [01] | 29419-10070 | CAMSHAFT, SUPPLY P | HU |
| 6 | [01] | 29417-00210 | RING SUB-ASSY, CAM | HU |
| 7 | [01] | 29412-00440 | COVER SUB-ASSY, BE | HU |
| 007-001. | [01] | 29419-70020 | SEAL, OIL | |
| 8 | [06] | 29419-90090 | BOLT, SOCKET | HU |
| 9 | [01] | 29419-80050 | O-RING, SUPPLY PUM | |
| 10 | [02] | 29419-80030 | O-RING, SUPPLY PUM | |
| 11 | [01] | 29418-30160 | PLATE, FEED PUMP, | |
| 12 | [01] | 29418-40170 | COVER, FEED PUMP | HU |
| 13 | [01] | 29418-70040 | KEY, FEED PUMP | |
| 14 | [01] | 29418-00080 | ROTOR SET, FEED PU | HU |
| 15 | [05] | 29419-90080 | BOLT, SOCKET | HU |
| 16 | [01] | 29409-00510 | ELEMENT KIT, SUPPL | HU |
| 17 | [01] | 29409-00950 | ELEMENT KIT, SUPPL | HU |
| 18 | [02] | 29415-90040 | SPRING, PLUNGER | |
| 19 | [02] | 29419-80010 | O-RING, SUPPLY PUM | |
| 20 | [02] | 29419-80040 | O-RING, SUPPLY PUM | |
| 21 | [06] | 29419-90070 | BOLT, SOCKET | HU |
| 30 | [01] | 09806-60030 | O-RING, DISTRIBUTI | 22193-1C170 |
| 31 | [01] | 17973-00100 | SENSOR, FUEL TEMPE | 89454-20010 |
| 32 | [1C] | 29420-00611 | VALVE ASSY, SUCTIO | |
| 32 | [1C] | 29420-00611 | VALVE ASSY, SUCTIO | SM |
| 032-001. | [1C] | 29428-60010 | O-RING, VALVE | |
| 032-001. | [1C] | 29428-60010 | O-RING, VALVE | SM |
| 33 | [01] | 29428-50010 | O-RING, SOLENOID | |
| 34 | [01] | 29416-00200 | VALVE SUB-ASSY, RE | HU |
| 034-001. | [01] | 29419-80060 | O-RING, SUPPLY PUM | |
| 034-002. | [01] | 29419-80070 | O-RING, SUPPLY PUM | |
| 35 | [01] | 29401-00170 | PIPE, SUPPLY PUMP | HU |
| 36 | [02] | 29416-90010 | PIN, STOPPER | |
| 37 | [01] | 29411-50010 | PLUG, FILTER | |
| 38 | [01] | 09806-50030 | GASKET | HU |
| 39 | [01] | 09737-00010 | FILTER SUB-ASSY | |
| 40 | [01] | 09604-90460 | O-RING | 22193-5B320 |
| 52 | [01] | 09003-45250 | PLUG | HU |
| 53 | [01] | 09808-10050 | COVER, RUBBER | HU |
| 54 | [01] | 09808-10060 | COVER, RUBBER | HU |
| 55 | [01] | 29419-80260 | O-RING, SUPPLY PUM | 22193-0R020 |
| 101 | [01] | 29400-90010 | OVERHAUL KIT, SUPP | |
| 102 | [01] | 29400-90100 | OVERHAUL KIT, SUPP | |
| 200 | [01] | 29400-90110 | OVERHAUL KIT, SUPP |
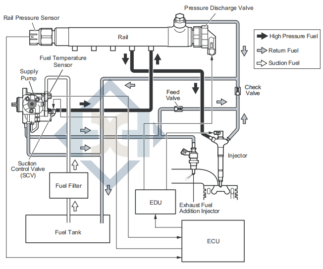
04226-26030 Suction Control Valve for Fuel Supply System Injection Pump used on ISUZU Made by Ningbo Henshine Precision Machinery
The Suction Control Valve 04226-26030 is generally installed at the inlet of the high-pressure fuel pump. It is a proportional solenoid valve, controlled by the electronic control unit (ECU), which can control the amount of oil entering the high-pressure fuel pump, thereby controlling the oil pressure in the common rail pipe. The good work of this component can not only ensure
that the vehicle can run normally but also enable the engine to run in the most fuel -- efficient state to achieve the effect of saving fuel.
2009-9-06
Figure 2 Exploded Diagram of Avensis Fuel Supply Pump 294000-0710 contains SCV 04226-26030
(Courtesy of Ningbo Henshine Precision Machinery Co., Ltd)
SUCTION CONTROL VALVE
04226-26030 Suction Control Valve DCRS301380 04226-26030 Engine 2AD-FTV PUMP Assy DCRP302610 22100-0R040 294000-0710
+Diesel Common Rail System/Fuel Supply System
-Components of Fuel Injection Pump/ Supply Pump
-SCV Valve/Fuel Pressure Regulating Valve; Suction Control Valve
Ningbo Henshine Precision Machinery Co., Ltd
Detailed Photo:
FIGURE 3 Side View of AVENSIS 2AD-FTV Suction Control Valve 04226-26030
(Courtesy of Ningbo Henshine Precision Machinery Co., Ltd)
FIGURE 4 AUIRS SCV Valve 04226-26030 Fitting on 294000-0710
(Courtesy of Ningbo Henshine Precision Machinery Co., Ltd)
FIGURE 5 COROLLA SCV Valve 04226-26030 Fitting on 22100-0R040 (quotes genuine pic.)
(Courtesy of Ningbo Henshine Precision Machinery Co., Ltd)
| Make: | |
| Model: | AURIS/ AVENSIS/ COROLLA/ RAV/ VERSO |
| Submodel: | / |
| Year: | |
| Engine Type: | / |
| Engine Family: | 1AD-FTV、2AD-FTV、2AD-FHV |
| Engine Size: | / |
| Fuel Type: | Diesel |
| Regulator Usage: | Supply Pump |
| Replaces OEM Part Number (application): | Instead of Denso 04226-26030 |
Condition: Brand NEW
Manufacturer Part Number: 04226-26030
Other Numbers: 04226-260**
Brand: HENSHINE
Material: Plastic, Iron
Delivery time: 1-3days
Colour: Silver & Black
Surface Finish: High Quality
Placement on Vehicle: AURIS/ AVENSIS/ COROLLA/ RAV/ VERSO
Pump: 29400-00710, 29400-00711, 294000-2220 & etc
Original Number: OE 04226-26030, 0422626030
Type: Suction Control Valve/ SCV
Packing: No 3/4 Natural Box & Henshine Box
Warranty: 1 year
Min Order: 10 pcs
Production Capacity: 4500 pcs per month
Means of Transport: Ocean, Land, Air, Express
Payments: Visa, Mastercard, T/T, Online Transfer, Cash on pickup
A fuel pressure regulator, also named a suction control valve, or SCV valve, helps maintain the fuel
pressure in the Fuel Injection System. If the fuel injection system needs more fuel pressure, the fuel
pressure regulator releases more fuel to go to the engine. This is vital because that is how the fuel gets to the injectors. Blocking the pass-through to the fuel tank off completely, the fuel pump will try to force too much fuel into the injectors which will cause them to fail and you will end up needing another auto repair service.
As you could see, the pressure regulator plays a critical role in the common rail diesel injection system.
A good factory, a good supplier with stable quality and follows IATF16949 rules strictly.
After being tested by many of our customers in Europe and the Americas, this pressure regulator is a good replacement for OE diesel parts, like 04226-26030 Diesel Metering Valve.
What Is a SCV? >> check here
The suction control valve (SCV) controls the fuel pressure in the common rail diesel engine. The use tolerance of SCVs is very small and will soon be affected by contaminated fuel and / or fouling.
When the valve is activated, the force of the electromagnet aids the spring, reducing the opening of the valve and so increasing fuel pressure. The valve also acts as a mechanical pressure damper, smoothing the high frequency pressure pulses emanating from the radial piston pump when less than three pistons are activated.
SCV MPROP 04226-26030 FOR / LEXUS
Interchangeable OE Numbers: 04**6-2**30
Other Names for SCV:
Suction Control Valve
FCA
Injection Pressure Regulator
Fuel Pressure Regulator
Fuel Control Actuator
Fuel Pump Pressure Regulator
OVERHAUL KIT
Measuring Unit
scv control valve
Fuel Pump Valve
Fuel Measurement Solenoid Valve
VALVE ASSY SUCTION
Compatible Vehicles for 04226-26030:
| AVENSIS (_T25_) | 1AD-FTV | 2.0 D-4D (ADT250_) | 1998 | 93 | 126 | 2006.03 - 2008.11 | Informacje o AVENSIS (_T25_) 2.0 D-4D (ADT250_) 2006.03 - 2008.11 | |
| AVENSIS Kombi (_T25_) | 1AD-FTV | 2.0 D-4D (ADT250_) | 1998 | 93 | 126 | 2006.03 - 2008.11 | Informacje o AVENSIS Kombi (_T25_) 2.0 D-4D (ADT250_) 2006.03 - 2008.11 | |
| AVENSIS sedan (_T25_) | 1AD-FTV | 2.0 D-4D (ADT250_) | 1998 | 93 | 126 | 2006.03 - 2008.10 | Informacje o AVENSIS sedan (_T25_) 2.0 D-4D (ADT250_) 2006.03 - 2008.10 | |
| RAV 4 III (_A3_) | 2AD-FTV | 2.2 D 4WD (ALA30_) | 2231 | 100 | 136 | 2006.02 - 2012.12 | Informacje o RAV 4 III (_A3_) 2.2 D 4WD (ALA30_) 2006.02 - 2012.12 | |
| RAV 4 III (_A3_) | 2AD-FHV | 2.2 D 4WD (ALA30_) | 2231 | 130 | 177 | 2006.02 - 2013.06 | Informacje o RAV 4 III (_A3_) 2.2 D 4WD (ALA30_) 2006.02 - 2013.06 | |
| RAV 4 III (_A3_) | 2AD-FHV, 2AD-FTV | 2.2 D (ALA35_) | 2231 | 110 | 150 | 2008.12 - 2013.06 | Informacje o RAV 4 III (_A3_) 2.2 D (ALA35_) 2008.12 - 2013.06 | |
| RAV 4 III (_A3_) | 2AD-FHV, 2AD-FTV | 2.2 D 4WD (ALA30_) | 2231 | 110 | 150 | 2008.12 - 2013.06 | Informacje o RAV 4 III (_A3_) 2.2 D 4WD (ALA30_) 2008.12 - 2013.06 | |
| RAV 4 IV (_A4_) | 1AD-FTV | 2.0 D (ALA40_) | 1998 | 91 | 124 | 2012.12 - 2018.11 | Informacje o RAV 4 IV (_A4_) 2.0 D (ALA40_) 2012.12 - 2018.11 | |
| RAV 4 IV (_A4_) | 1AD-FTV | 2.0 D 4WD (ALA41_) | 1998 | 91 | 124 | 2013.01 - 2018.11 | Informacje o RAV 4 IV (_A4_) 2.0 D 4WD (ALA41_) 2013.01 - 2018.11 | |
| RAV 4 IV (_A4_) | 2AD-FHV, 2AD-FTV | 2.2 D 4WD (ALA49) | 2231 | 110 | 150 | 2012.12 - | Informacje o RAV 4 IV (_A4_) 2.2 D 4WD (ALA49) 2012.12 - |
Figure 1 Cutaway of Injection Pump 294000-0710 including suction control valve 04226-26030
(Courtesy of Ningbo Henshine Precision Machinery Co., Ltd)
| 0 | [01] | 29400-01580 | PUMP ASSY, SUPPLY | 22100-0R070 |
| 1 | [01] | 29410-01730 | HOUSING SUB-ASSY, | HU |
| 2 | [01] | 29417-80040 | WASHER, CAMSHAFT | |
| 3 | [01] | 29417-80080 | WASHER, CAMSHAFT | |
| 4 | [01] | 29419-10070 | CAMSHAFT, SUPPLY P | HU |
| 6 | [01] | 29417-00210 | RING SUB-ASSY, CAM | HU |
| 7 | [01] | 29412-00440 | COVER SUB-ASSY, BE | HU |
| 007-001. | [01] | 29419-70020 | SEAL, OIL | |
| 8 | [06] | 29419-90090 | BOLT, SOCKET | HU |
| 9 | [01] | 29419-80050 | O-RING, SUPPLY PUM | |
| 10 | [02] | 29419-80030 | O-RING, SUPPLY PUM | |
| 11 | [01] | 29418-30160 | PLATE, FEED PUMP, | |
| 12 | [01] | 29418-40170 | COVER, FEED PUMP | HU |
| 13 | [01] | 29418-70040 | KEY, FEED PUMP | |
| 14 | [01] | 29418-00080 | ROTOR SET, FEED PU | HU |
| 15 | [05] | 29419-90080 | BOLT, SOCKET | HU |
| 16 | [01] | 29409-00510 | ELEMENT KIT, SUPPL | HU |
| 17 | [01] | 29409-00950 | ELEMENT KIT, SUPPL | HU |
| 18 | [02] | 29415-90040 | SPRING, PLUNGER | |
| 19 | [02] | 29419-80010 | O-RING, SUPPLY PUM | |
| 20 | [02] | 29419-80040 | O-RING, SUPPLY PUM | |
| 21 | [06] | 29419-90070 | BOLT, SOCKET | HU |
| 30 | [01] | 09806-60030 | O-RING, DISTRIBUTI | 22193-1C170 |
| 31 | [01] | 17973-00100 | SENSOR, FUEL TEMPE | 89454-20010 |
| 32 | [1C] | 29420-00611 | VALVE ASSY, SUCTIO | |
| 32 | [1C] | 29420-00611 | VALVE ASSY, SUCTIO | SM |
| 032-001. | [1C] | 29428-60010 | O-RING, VALVE | |
| 032-001. | [1C] | 29428-60010 | O-RING, VALVE | SM |
| 33 | [01] | 29428-50010 | O-RING, SOLENOID | |
| 34 | [01] | 29416-00200 | VALVE SUB-ASSY, RE | HU |
| 034-001. | [01] | 29419-80060 | O-RING, SUPPLY PUM | |
| 034-002. | [01] | 29419-80070 | O-RING, SUPPLY PUM | |
| 35 | [01] | 29401-00170 | PIPE, SUPPLY PUMP | HU |
| 36 | [02] | 29416-90010 | PIN, STOPPER | |
| 37 | [01] | 29411-50010 | PLUG, FILTER | |
| 38 | [01] | 09806-50030 | GASKET | HU |
| 39 | [01] | 09737-00010 | FILTER SUB-ASSY | |
| 40 | [01] | 09604-90460 | O-RING | 22193-5B320 |
| 52 | [01] | 09003-45250 | PLUG | HU |
| 53 | [01] | 09808-10050 | COVER, RUBBER | HU |
| 54 | [01] | 09808-10060 | COVER, RUBBER | HU |
| 55 | [01] | 29419-80260 | O-RING, SUPPLY PUM | 22193-0R020 |
| 101 | [01] | 29400-90010 | OVERHAUL KIT, SUPP | |
| 102 | [01] | 29400-90100 | OVERHAUL KIT, SUPP | |
| 200 | [01] | 29400-90110 | OVERHAUL KIT, SUPP |
04226-26030 Suction Control Valve for Fuel Supply System Injection Pump used on ISUZU Made by Ningbo Henshine Precision Machinery
The Suction Control Valve 04226-26030 is generally installed at the inlet of the high-pressure fuel pump. It is a proportional solenoid valve, controlled by the electronic control unit (ECU), which can control the amount of oil entering the high-pressure fuel pump, thereby controlling the oil pressure in the common rail pipe. The good work of this component can not only ensure
that the vehicle can run normally but also enable the engine to run in the most fuel -- efficient state to achieve the effect of saving fuel.
2009-9-06
Figure 2 Exploded Diagram of Avensis Fuel Supply Pump 294000-0710 contains SCV 04226-26030
(Courtesy of Ningbo Henshine Precision Machinery Co., Ltd)
SUCTION CONTROL VALVE
04226-26030 Suction Control Valve DCRS301380 04226-26030 Engine 2AD-FTV PUMP Assy DCRP302610 22100-0R040 294000-0710
+Diesel Common Rail System/Fuel Supply System
-Components of Fuel Injection Pump/ Supply Pump
-SCV Valve/Fuel Pressure Regulating Valve; Suction Control Valve
Ningbo Henshine Precision Machinery Co., Ltd
Detailed Photo:
FIGURE 3 Side View of AVENSIS 2AD-FTV Suction Control Valve 04226-26030
(Courtesy of Ningbo Henshine Precision Machinery Co., Ltd)
FIGURE 4 AUIRS SCV Valve 04226-26030 Fitting on 294000-0710
(Courtesy of Ningbo Henshine Precision Machinery Co., Ltd)
FIGURE 5 COROLLA SCV Valve 04226-26030 Fitting on 22100-0R040 (quotes genuine pic.)
(Courtesy of Ningbo Henshine Precision Machinery Co., Ltd)
| Make: | |
| Model: | AURIS/ AVENSIS/ COROLLA/ RAV/ VERSO |
| Submodel: | / |
| Year: | |
| Engine Type: | / |
| Engine Family: | 1AD-FTV、2AD-FTV、2AD-FHV |
| Engine Size: | / |
| Fuel Type: | Diesel |
| Regulator Usage: | Supply Pump |
| Replaces OEM Part Number (application): | Instead of Denso 04226-26030 |
Condition: Brand NEW
Manufacturer Part Number: 04226-26030
Other Numbers: 04226-260**
Brand: HENSHINE
Material: Plastic, Iron
Delivery time: 1-3days
Colour: Silver & Black
Surface Finish: High Quality
Placement on Vehicle: AURIS/ AVENSIS/ COROLLA/ RAV/ VERSO
Pump: 29400-00710, 29400-00711, 294000-2220 & etc
Original Number: OE 04226-26030, 0422626030
Type: Suction Control Valve/ SCV
Packing: No 3/4 Natural Box & Henshine Box
Warranty: 1 year
Min Order: 10 pcs
Production Capacity: 4500 pcs per month
Means of Transport: Ocean, Land, Air, Express
Payments: Visa, Mastercard, T/T, Online Transfer, Cash on pickup
A fuel pressure regulator, also named a suction control valve, or SCV valve, helps maintain the fuel
pressure in the Fuel Injection System. If the fuel injection system needs more fuel pressure, the fuel
pressure regulator releases more fuel to go to the engine. This is vital because that is how the fuel gets to the injectors. Blocking the pass-through to the fuel tank off completely, the fuel pump will try to force too much fuel into the injectors which will cause them to fail and you will end up needing another auto repair service.
As you could see, the pressure regulator plays a critical role in the common rail diesel injection system.
A good factory, a good supplier with stable quality and follows IATF16949 rules strictly.
After being tested by many of our customers in Europe and the Americas, this pressure regulator is a good replacement for OE diesel parts, like 04226-26030 Diesel Metering Valve.
What Is a SCV? >> check here
The suction control valve (SCV) controls the fuel pressure in the common rail diesel engine. The use tolerance of SCVs is very small and will soon be affected by contaminated fuel and / or fouling.
When the valve is activated, the force of the electromagnet aids the spring, reducing the opening of the valve and so increasing fuel pressure. The valve also acts as a mechanical pressure damper, smoothing the high frequency pressure pulses emanating from the radial piston pump when less than three pistons are activated.
SCV MPROP 04226-26030 FOR / LEXUS
Interchangeable OE Numbers: 04**6-2**30
Other Names for SCV:
Suction Control Valve
FCA
Injection Pressure Regulator
Fuel Pressure Regulator
Fuel Control Actuator
Fuel Pump Pressure Regulator
OVERHAUL KIT
Measuring Unit
scv control valve
Fuel Pump Valve
Fuel Measurement Solenoid Valve
VALVE ASSY SUCTION
Compatible Vehicles for 04226-26030:
| AVENSIS (_T25_) | 1AD-FTV | 2.0 D-4D (ADT250_) | 1998 | 93 | 126 | 2006.03 - 2008.11 | Informacje o AVENSIS (_T25_) 2.0 D-4D (ADT250_) 2006.03 - 2008.11 | |
| AVENSIS Kombi (_T25_) | 1AD-FTV | 2.0 D-4D (ADT250_) | 1998 | 93 | 126 | 2006.03 - 2008.11 | Informacje o AVENSIS Kombi (_T25_) 2.0 D-4D (ADT250_) 2006.03 - 2008.11 | |
| AVENSIS sedan (_T25_) | 1AD-FTV | 2.0 D-4D (ADT250_) | 1998 | 93 | 126 | 2006.03 - 2008.10 | Informacje o AVENSIS sedan (_T25_) 2.0 D-4D (ADT250_) 2006.03 - 2008.10 | |
| RAV 4 III (_A3_) | 2AD-FTV | 2.2 D 4WD (ALA30_) | 2231 | 100 | 136 | 2006.02 - 2012.12 | Informacje o RAV 4 III (_A3_) 2.2 D 4WD (ALA30_) 2006.02 - 2012.12 | |
| RAV 4 III (_A3_) | 2AD-FHV | 2.2 D 4WD (ALA30_) | 2231 | 130 | 177 | 2006.02 - 2013.06 | Informacje o RAV 4 III (_A3_) 2.2 D 4WD (ALA30_) 2006.02 - 2013.06 | |
| RAV 4 III (_A3_) | 2AD-FHV, 2AD-FTV | 2.2 D (ALA35_) | 2231 | 110 | 150 | 2008.12 - 2013.06 | Informacje o RAV 4 III (_A3_) 2.2 D (ALA35_) 2008.12 - 2013.06 | |
| RAV 4 III (_A3_) | 2AD-FHV, 2AD-FTV | 2.2 D 4WD (ALA30_) | 2231 | 110 | 150 | 2008.12 - 2013.06 | Informacje o RAV 4 III (_A3_) 2.2 D 4WD (ALA30_) 2008.12 - 2013.06 | |
| RAV 4 IV (_A4_) | 1AD-FTV | 2.0 D (ALA40_) | 1998 | 91 | 124 | 2012.12 - 2018.11 | Informacje o RAV 4 IV (_A4_) 2.0 D (ALA40_) 2012.12 - 2018.11 | |
| RAV 4 IV (_A4_) | 1AD-FTV | 2.0 D 4WD (ALA41_) | 1998 | 91 | 124 | 2013.01 - 2018.11 | Informacje o RAV 4 IV (_A4_) 2.0 D 4WD (ALA41_) 2013.01 - 2018.11 | |
| RAV 4 IV (_A4_) | 2AD-FHV, 2AD-FTV | 2.2 D 4WD (ALA49) | 2231 | 110 | 150 | 2012.12 - | Informacje o RAV 4 IV (_A4_) 2.2 D 4WD (ALA49) 2012.12 - |